首
页
关于兴胜
公司简介
荣誉资质
企业文化
产品咨询
气缸
机械阀
模组
接头
应用案例
新闻中心
常见问题
知识问答
联系我们
联系方式
阿里巴巴
气缸
机械阀
模组
接头
您现在的位置:
首页
>
产品咨询
>
气缸
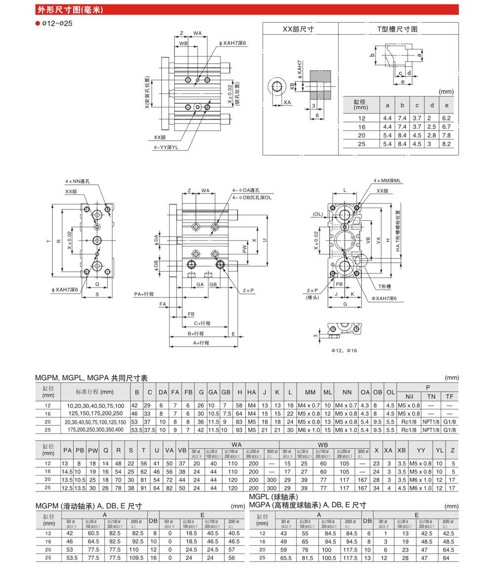
MGP系列新型带导杆气缸
产品名称:MGP系列新型带导杆气缸
产品特色:体积小巧
耐扭矩能力强
耐横向负载能力强
不回转精度高
导向杆的轴承可选择滑动轴承或球轴承
安装方便
二面接管位置可供选择
型号编码
基本样式
行程表
尺寸图
产品推荐
SC系列标准气缸(拉杆式)
DNC系列标准气缸
REF系列单向节流阀
XS4
XS5
接头Y-PK-3,Y-PK-4
LCK-M5-4,LCK-M5-3,CK-M5-4
L-3-M5机械阀